체크밸브란? 🤔
체크밸브는 유체가 한 방향으로만 흐르도록 하는 장치로, 주로 펌프와 배관 시스템에서 역류를 방지하는 역할을 합니다. 이 밸브는 유체가 흐르는 방향과 반대 방향으로의 흐름을 차단하여 시스템의 안전성을 높이는 데 기여합니다. 체크밸브는 다양한 산업 분야에서 필수적인 요소로 자리 잡고 있으며, 그 중요성은 날로 증가하고 있습니다.
체크밸브의 원리 🔍
체크밸브는 유체가 특정 방향으로만 흐를 수 있도록 설계되어 있습니다. 이 밸브는 유체의 압력에 의해 작동하며, 유체가 올바른 방향으로 흐를 때 밸브가 열리고, 반대 방향으로 흐를 경우 밸브가 닫히게 됩니다. 이러한 원리는 유체의 흐름을 제어하고, 시스템의 손상을 방지하는 데 중요한 역할을 합니다. 체크밸브의 작동 원리를 이해하는 것은 이 장치의 효율적인 사용을 위해 필수적입니다.
체크밸브의 종류 🛠️
체크밸브는 여러 종류가 있으며, 각기 다른 작동 방식과 구조를 가지고 있습니다. 대표적인 체크밸브의 종류는 다음과 같습니다:
- 스윙 체크밸브 : 디스크가 힌지에 의해 회전하여 열리고 닫히는 방식입니다. 유체가 흐를 때 디스크가 열리고, 역류 시 디스크가 닫혀 흐름을 차단합니다.

- 리프트 체크밸브 : 스프링에 의해 디스크가 들어올려지는 방식으로, 유체가 흐를 때 디스크가 열리고, 흐름이 멈추면 스프링의 힘으로 닫힙니다.

- 웨이퍼 체크밸브 : 얇고 경량화된 디자인으로, 공간이 제한된 곳에서 사용됩니다.

- 볼 체크밸브 : 볼이 유체의 흐름에 따라 움직이며, 역류 시 볼이 시트를 막아 흐름을 차단합니다.
- 틸팅 디스크 체크밸브 : 디스크가 기울어져 열리고 닫히는 방식으로, 유체의 흐름에 따라 작동합니다.
- 웨이퍼 체크 밸브
- 스윙 체크 밸브
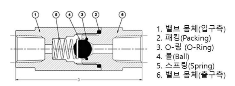
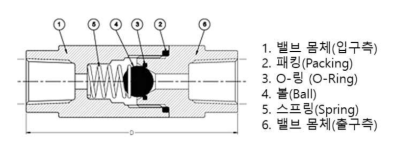
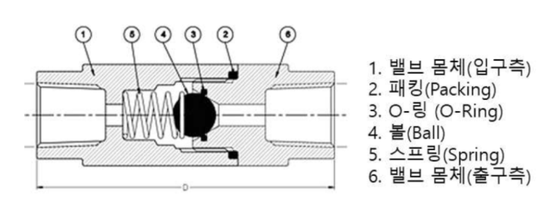
체크밸브의 구조 🏗️
체크밸브는 일반적으로 다음과 같은 주요 구성 요소로 이루어져 있습니다:
- 밸브 본체 : 체크밸브의 외부 구조로, 유체가 흐르는 경로를 형성합니다.
- 디스크 : 유체의 흐름을 제어하는 주요 부품으로, 스윙 체크밸브에서는 회전하고, 리프트 체크밸브에서는 들어올려집니다.
- 스프링 : 리프트 체크밸브에서 디스크를 닫는 역할을 합니다.
- O-링 : 유체의 누수를 방지하는 씰링 역할을 합니다.
체크밸브의 사용 사례 🌍
체크밸브는 다양한 산업에서 사용됩니다. 예를 들어, 펌프 시스템에서는 유체의 역류를 방지하여 장비의 손상을 막고, 배관 시스템에서는 유체의 흐름을 안정적으로 유지하는 데 기여합니다. 또한, 화학 공정, HVAC 시스템, 수처리 시설 등에서도 필수적으로 사용됩니다.
체크밸브의 유지보수 🔧
체크밸브는 정기적인 유지보수가 필요합니다. 주기적으로 밸브의 상태를 점검하고, 이물질이 쌓이지 않도록 청소하는 것이 중요합니다. 또한, 스프링이나 O-링과 같은 소모품은 필요에 따라 교체해야 합니다. 이러한 유지보수 작업은 체크밸브의 수명을 연장하고, 시스템의 효율성을 높이는 데 기여합니다.
체크밸브 선택 시 고려사항 📝
체크밸브를 선택할 때는 다음과 같은 요소를 고려해야 합니다:
- 유체의 종류 : 유체의 성질에 따라 적합한 체크밸브의 종류가 달라집니다.
- 압력 및 온도 : 체크밸브가 작동할 환경의 압력과 온도를 고려해야 합니다.
- 설치 공간 : 설치할 공간의 제약에 따라 적합한 디자인을 선택해야 합니다.
- 유지보수 용이성 : 유지보수가 용이한 구조의 체크밸브를 선택하는 것이 좋습니다.
체크밸브는 다양한 산업에서 필수적인 역할을 하며, 그 원리와 구조를 이해하는 것은 매우 중요합니다. 올바른 체크밸브를 선택하고 정기적으로 유지보수하는 것이 시스템의 안전성과 효율성을 높이는 데 큰 도움이 됩니다.
태그: #체크밸브 #유체역학 #산업기계 #밸브종류 #유지보수 #펌프시스템 #배관시스템 #기계공학 #기술정보 #산업안전
'VALVE' 카테고리의 다른 글
| ANSI #150, 150LB, #300, 300LB 150파운드 플랜지 후렌지 플렌지 규격 정보! (0) | 2025.01.15 |
|---|---|
| 볼밸브 종류, 구조 , 작동원리 , 볼밸브 규격 연결방식 정보! (0) | 2025.01.14 |
| 테프론 PTFE 재질 종류 주요 용도 테프론 PTFE 장점 단점 정보 (0) | 2025.01.14 |
| 관용나사 규격 과 관용나사 종류! (1) | 2025.01.13 |
| DIN FLANGE 후렌지 플렌지 플랜지 규격!!! 규격표!PN10,16,25,40 (0) | 2025.01.13 |